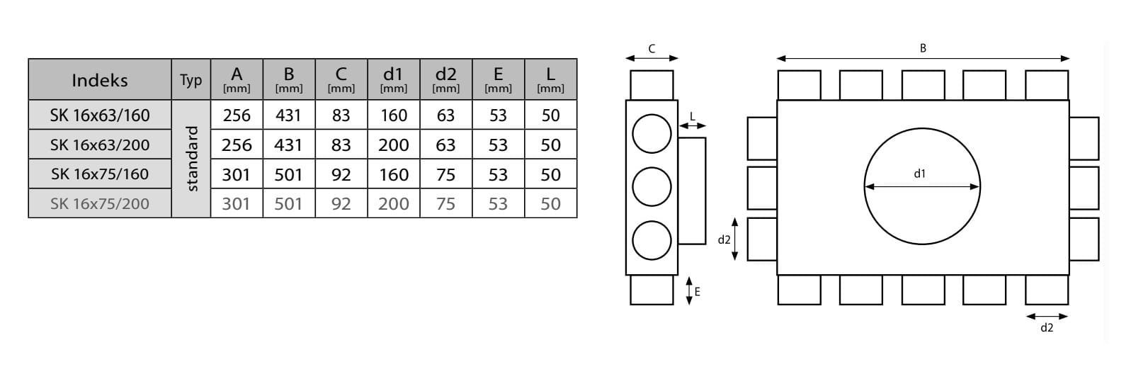
Rozdzielacz rurowy szesnasto-króćcowy SKPK 16x75/160
Opis
Rozdzielacz rurowy szesnasto-króćcowy 16x75 mm fi 160 z króćcem PK
Rozdzielacz rurowy sufitowo-ścienny wykonana z wysokiej jakości blachy ocynkowanej przeznaczona jest do łatwego rozprowadzenia powietrza po całym budynku z jednego miejsca.
Króciec przyłączeniowy PK z tworzywa sztucznego zapewnia szczelność bez konieczności stosowania dodatkowych uszczelek oraz pozwala na łatwy montaż i demontaż kanałów.
Technologie i materiały zastosowane przy produkcji pozwalają na precyzyjne wykonanie poszczególnych elementów przeznaczonych do budowy systemu wentylacji wywiewnej lub nawiewno-wywiewnej z rekuperacją.
Oferowany system pozwala wygodnie i szybko wykonać montaż instalacji wentylacji mechanicznej, którą łatwo można schować w wylewkach, stropach, pod suchymi czy mokrymi tynkami.
W skład systemu wchodzą różnego typu skrzynki rozprężne, rozdzielacze oraz elastyczne przewody.
Specyfikacja produktu:
- Materiał: blacha ocynkowana
- Grubość: 0,5 mm
- Max temperatura pracy: 250°C
- Max ciśnienie: 200 Pa
- Gwarancja: 2 lat
Zalety systemu:
- łatwy i szybki montaż
- wysoka odporność na uszkodzenia mechaniczne
- możliwość montażu w wylewkach betonowych
- system kompatybilny z większością central wentylacyjnych
- możliwość wykonania z blachy kwasoodpornej
